成人做爰黄A片免费视频网站野外,成人免费看片APP下载,成人做爰A片免费看黄冈白狐影院,成人做爰黄级A片免费看土方,成人做爰A片AAA毛真人,成人做爰A片免费看网站性晶

技術熱線: 4007-888-234
設計開發

專注差異化嵌入式產品解決方案 給智能產品定制注入靈魂給予生命

開發工具

提供開發工具、應用測試 完善的開發代碼案例庫分享

技術支持

從全面的產品導入到強大技術支援服務 全程貼心伴隨服務,創造無限潛能!

新品推廣

提供新的芯片及解決方案,提升客戶產品競爭力

新聞中心

提供最新的單片機資訊,行業消息以及公司新聞動態

電子產品開發:新方案開發步驟

更新時間: 2021-01-12
閱讀量:4959

新電子產品開發過程絕非易事,具體過程可分解為幾個可管理的步驟。在本文中,英銳恩將介紹原型開發的五個步驟。事實上,在原型完成之后,還有許多其他步驟可以使產品達到可以立即制造并推向市場。

在本文中,英銳恩將介紹開發新電子產品原型所需的五個核心步驟。

一、設計電路原理圖

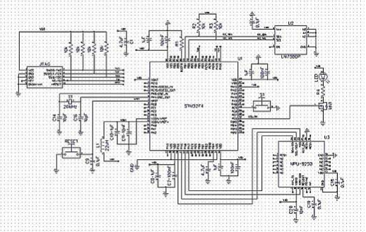
電子設計的最終目標是制作印刷電路板(PCB),在制作新PCB前,首先要制作原理圖電路設計。原理圖類似于房屋的設計圖,是電子產品設計的基礎。設計原理圖電路是為了進行早期評估,以選擇合適的拓展和電子組件。

電路原理圖設計

二、設計印刷電路板(PCB)

在設計完成原理圖后,通過設計軟件可以進行部分自動布線,但是大多數電路板需要手動布線才能獲得最佳性能。PCB的布局對電源和RF電路(藍牙,WiFi,GPS等)極為敏感,電子組件之間可能存在相互干擾的情況,需要著重考慮。

設計印刷電路板(PCB)

完成PCB布局后,接下來是檢查PCB是否與原理圖匹配,這包括檢查導線寬度,走線間距等,以確保布局符合所用特定PCB制造工藝的所有規則。

三、原型的評估和調試

當電子產品原型送回來后,需要對其進行評估,如果發現任何問題,則需要對其進行調試。能夠一次完成的電子產品開發都是比較簡單且成熟的,而新的電子產品方案一般都需要經過幾輪的調試。

四、單片機(MCU)程序開發

大部分電子產品都具有單片機(MCU),它充當電子產品的大腦,控制電子產品的運行時的一些動作。

20201120161506.png

單片機編程大部分都是用“C語言”進行編程的,如果程序需要非常高效或快速,則可以使用匯編語言來完成程序的某些部分開發。有時,編程和設計電路由同一個人完成,但是很多時候,都會專業人員來進行編程。

五、外殼的工業設計

20210112111506.png

這部分由工業設計師來完成,但是大部分企業都沒有聘請工業設計師,通常是外包給工業設計公司來進行產品視覺設計。最后,根據返回的樣品,確認后進行批量生產。

以上就是英銳恩單片機開發工程師分享的電子產品開發的一些關鍵步驟,如果你需要更多單片機方案產品的信息,請撥打官網電話:0755-82543511,或點擊“在線咨詢”,我們的客服人員將為你提供更詳細的解答

相關文章推薦:

欢迎光临: 深州市| 吉林市| 济南市| 体育| 湘阴县| 区。| 平湖市| 永登县| 兰坪| 民权县| 安新县| 蒙城县| 乃东县| 阿拉善盟| 都匀市| 克什克腾旗| 巴林左旗| 仪陇县| 应用必备| 宁阳县| 铜梁县| 甘德县| 固安县| 沙河市| 台前县| 竹北市| 卓资县| 昌乐县| 常德市| 瑞金市| 濮阳县| 平原县| 宁乡县| 滨州市| 榆树市| 元朗区| 府谷县| 翁牛特旗| 宁武县| 河北区| 吉木乃县|