成人做爰黄A片免费视频网站野外,成人免费看片APP下载,成人做爰A片免费看黄冈白狐影院,成人做爰黄级A片免费看土方,成人做爰A片AAA毛真人,成人做爰A片免费看网站性晶

技術熱線: 4007-888-234
設計開發

專注差異化嵌入式產品解決方案 給智能產品定制注入靈魂給予生命

開發工具

提供開發工具、應用測試 完善的開發代碼案例庫分享

技術支持

從全面的產品導入到強大技術支援服務 全程貼心伴隨服務,創造無限潛能!

新品推廣

提供新的芯片及解決方案,提升客戶產品競爭力

新聞中心

提供最新的單片機資訊,行業消息以及公司新聞動態

墨盒硒鼓單片機方案-墨盒硒鼓芯片

更新時間: 2019-05-22
閱讀量:8723

十年單片機開發方案提供商深圳英銳恩,推出墨盒硒鼓單片機方案-墨盒硒鼓芯片 。

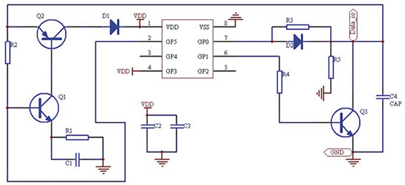
墨盒硒鼓1-wire總線計數IC原理圖:(外圍電路設計主要根據原裝IC只有兩根線,數據線高電平達到12V。
墨盒硒鼓單片機方案-墨盒硒鼓芯片
墨盒硒鼓1-wire總線計數IC 目前各個打印機廠商憑借壟斷技術,在其產品 上安裝各種計數器,如墨盒芯片、硒鼓芯片等, 一般當打印使用時,機器就進行計數,數量達 到設定值,機器就停止工作,如果沒有更換符 合要求的芯片,機器就如同報廢,其實,絕大 部分硒鼓是可以重復循環使用多次的,關鍵在 于,需要對硒鼓芯片進行復位清零復位清零后 就可以硒鼓進行加粉。

打印機墨盒硒鼓單片機方案單片機開發英銳恩推出打印機墨盒硒鼓芯片


1-wire是部分硒鼓計數IC的一種通信協議,主要通過該協議來對硒鼓IC信號進行識別,并對數據進行讀寫控制,從而使硒鼓重復循環使用多次。


施樂全系列(Xerox),如:V2015 V2018 WC415/420 WC518 DC220 WC315/320 N4525
C620/621 C835 830/831/3310/3320/411/412DP4LP/DP4CP DC400 235/285/405 DP181/211等
夏普全系列(Sharp),如:AR255 AR450 AR163 AR158 AR275/276等
愛普生全系列(Epson),如:C8500/C8600/C7000/C8000/C8200 EPLN4000/4000+/ EPL6200/6200L EPL1210/1220 LP8100/8700 等
惠普全系列(HP),如:1500/2500/4600/5500/2300/1300 4500/4550 8500/8550等
美能達全系列(Minolta),如:1300W 4032等
聯想全系列(Lenovo),如:1800 LJ7500等
利盟全系列(Lexmark),如:812 E220/E320 E330等
方正全系列(FundTech),如:A230 等
佳能全系列(Canon),如:2040/2050/2160/2260/2360 等
富士通全系列(Fujitsu),如:XL5330 XL4000 等
NEC全系列,如:2300等
【利盟硒鼓芯片】
 利盟E230粉盒芯片  利盟E120粉盒芯片
【HP 硒鼓芯片】
HP 黑白機芯片  HP 1500/2500/2550 粉盒芯片  HP 3500 硒鼓芯片  HP 3700 硒鼓芯片  HP 4600/4650 硒鼓芯片  HP 5500/5550 硒鼓芯片  HP 4100/9000 硒鼓芯片  HP 1600/2600/2605 芯片  HP 3600 硒鼓芯片  HP 4700/4730 硒鼓芯片  HP 5200 硒鼓芯片  HP 2600 硒鼓芯片 【愛普生激光機芯片】
愛普生 C1100 硒鼓芯片
【美能達硒鼓芯片】
美能達 PP1300/1350w 硒鼓芯片  美能達 PP1400 硒鼓芯片  美能達 2400 硒鼓芯片
【三星硒鼓芯片】
三星 ML-2150 硒鼓芯片  三星 ML-2550 硒鼓芯片  三星 SCS-4720F  三星 4200 硒鼓芯片  三星 CLP-510 硒鼓芯片  三星 CLP-300 硒鼓芯片
【施樂硒鼓芯片】
施樂 PE120/PE120i 硒鼓芯片  施樂 3150B 硒鼓芯片  施樂 3450B 硒鼓芯片  施樂 3500 硒鼓芯片  施樂 3119 硒鼓芯片  施樂 PE220 硒鼓芯片
【戴爾硒鼓芯片】
戴爾 1600 硒鼓芯片
【理光硒鼓芯片】 理光 200 硒鼓芯片
Xerox90/01芯片:主要用在以前的施樂機器以及夏普機器上。比如施樂315以及夏普163等;
DS2432芯片:現在主要用在四種機型上:Epson 6200L,方正A230,美能達1300W,聯想1800;
DS2502-UNW芯片:現在主要用在以下幾種機型上:施樂V2015,施樂V2018,施樂V2021,施樂WCP415;
施樂Vivace系列芯片:現在主要用在以下幾種機型上:施樂V228 V288 V336 V388等;
AT88SC0204芯片:在三星和施樂的機器上采用的比較多。如xerox 3428,samsung 3050等。
DS2431/DS08芯片:目前廣泛出現的在復印機/打印機上可以替代DS2432的芯片。
AT24C04、ST24C04W、S93C46,F683等。


需要定制單片機開發方案的伙伴,請直接咨詢英銳恩官網客服,了解更多智能芯方案。

欢迎光临: 山东省| 高唐县| 汶上县| 祁门县| 泾川县| 武义县| 遂平县| 射洪县| 田林县| 安西县| 攀枝花市| 霸州市| 肇庆市| 贡嘎县| 宁蒗| 昌邑市| 潮州市| 新津县| 平邑县| 兰考县| 惠来县| 白玉县| 新竹市| 沙河市| 磴口县| 北辰区| 阿克苏市| 锡林郭勒盟| 桐乡市| 无锡市| 仪征市| 杨浦区| 阿巴嘎旗| 瓮安县| 孟州市| 永嘉县| 吴忠市| 六枝特区| 凤凰县| 长岛县| 宜阳县|