成人做爰黄A片免费视频网站野外,成人免费看片APP下载,成人做爰A片免费看黄冈白狐影院,成人做爰黄级A片免费看土方,成人做爰A片AAA毛真人,成人做爰A片免费看网站性晶

技術熱線: 4007-888-234
設計開發

專注差異化嵌入式產品解決方案 給智能產品定制注入靈魂給予生命

開發工具

提供開發工具、應用測試 完善的開發代碼案例庫分享

技術支持

從全面的產品導入到強大技術支援服務 全程貼心伴隨服務,創造無限潛能!

新品推廣

提供新的芯片及解決方案,提升客戶產品競爭力

新聞中心

提供最新的單片機資訊,行業消息以及公司新聞動態

便攜式醫療單片機方案

更新時間: 2019-05-22
閱讀量:3255

十年單片機開發方案提供商深圳英銳恩,推出便攜式醫療單片機方案。

便攜醫療設備通常包括了可穿戴醫療設備和移動醫療設備。它具有可便攜性,靈活高效的醫療診斷作用,常用于家用醫療保健。

功能說明:便攜醫療設備通過輸出不同模式和強度的脈沖對涉及頸椎,關節,經絡等部位的慢性病進行治療。

MCU主要應用:輸出顯示、模式強度時間控制和輸出控制

應用模塊:AD,PWM,LCD驅動等

應用方案應用主控IC:EN8F883  PIC16F1933

便攜式醫療單片機方案產品圖


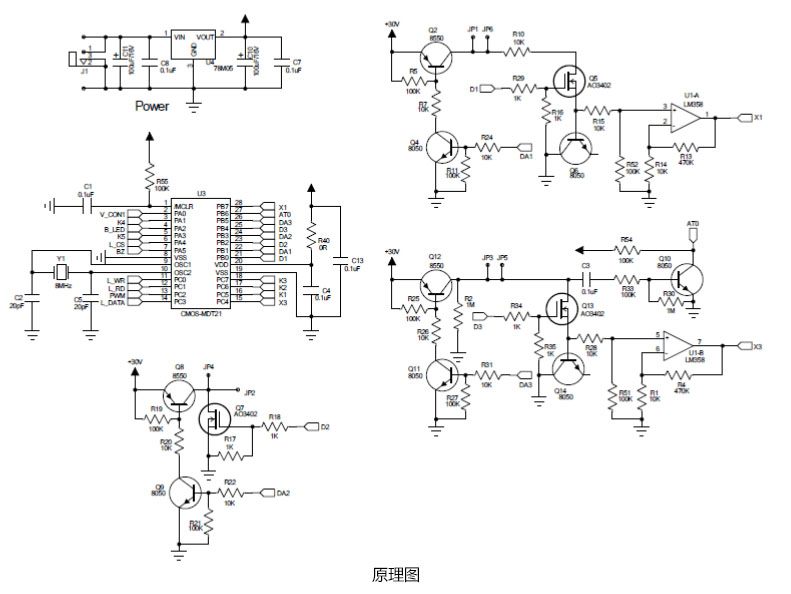
便攜式醫療單片機方案原理圖


需要定制單片機開發方案的伙伴,請直接咨詢英銳恩官網客服,了解更多智能芯方案。

欢迎光临: 龙陵县| 泰顺县| 曲松县| 东至县| 安丘市| 临海市| 平远县| 藁城市| 南川市| 肃宁县| 颍上县| 淮滨县| 广昌县| 安化县| 宜丰县| 梧州市| 揭西县| 台州市| 滕州市| 永济市| 德钦县| 东平县| 平陆县| 麟游县| 安阳市| 天长市| 绵阳市| 石城县| 花莲县| 慈利县| 丰原市| 渑池县| 忻州市| 应城市| 德令哈市| 桂林市| 西畴县| 苍溪县| 辉南县| 濮阳市| 丹寨县|