成人做爰黄A片免费视频网站野外,成人免费看片APP下载,成人做爰A片免费看黄冈白狐影院,成人做爰黄级A片免费看土方,成人做爰A片AAA毛真人,成人做爰A片免费看网站性晶

技術熱線: 4007-888-234
設計開發

專注差異化嵌入式產品解決方案 給智能產品定制注入靈魂給予生命

開發工具

提供開發工具、應用測試 完善的開發代碼案例庫分享

技術支持

從全面的產品導入到強大技術支援服務 全程貼心伴隨服務,創造無限潛能!

新品推廣

提供新的芯片及解決方案,提升客戶產品競爭力

新聞中心

提供最新的單片機資訊,行業消息以及公司新聞動態

汽車電子視頻芯片解決方案

更新時間: 2019-03-27
閱讀量:4256

  十年單片機開發方案提供商深圳英銳恩,推出汽車電子視頻芯片解決方案。

需要定制單片機開發方案的伙伴,請直接咨詢英銳恩官網客服,了解更多智能芯方案。

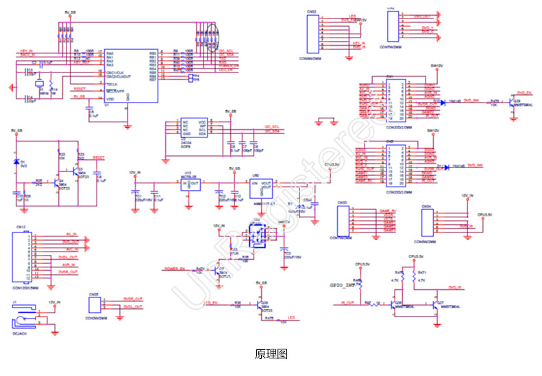
功能說明:功能說明:通過控制視頻驅動IC來進行視屏的P和N模式調制并對整個模塊的工作狀態進行控制。MCU主要通過模擬通訊格式控制視頻顯示。


 應用模塊:I2C、AD等


 應用方案應用主控IC:

       EN8F677E

       EN8F883

汽車電子視頻芯片解決方案產品圖


汽車電子視頻芯片解決方案原理圖

欢迎光临: 西城区| 吉首市| 徐水县| 涟源市| 台北市| 松滋市| 闸北区| 哈密市| 株洲县| 东方市| 酉阳| 宁南县| 江西省| 托克逊县| 项城市| 焉耆| 河北省| 沈丘县| 德兴市| 珠海市| 湛江市| 汉川市| 汤阴县| 揭阳市| 全州县| 开封县| 宜章县| 台东县| 伊宁县| 高邑县| 平陆县| 青冈县| 连云港市| 龙井市| 彭泽县| 清流县| 建平县| 四平市| 琼结县| 嘉义县| 醴陵市|