成人做爰黄A片免费视频网站野外,成人免费看片APP下载,成人做爰A片免费看黄冈白狐影院,成人做爰黄级A片免费看土方,成人做爰A片AAA毛真人,成人做爰A片免费看网站性晶

技術熱線: 4007-888-234
設計開發

專注差異化嵌入式產品解決方案 給智能產品定制注入靈魂給予生命

開發工具

提供開發工具、應用測試 完善的開發代碼案例庫分享

技術支持

從全面的產品導入到強大技術支援服務 全程貼心伴隨服務,創造無限潛能!

新品推廣

提供新的芯片及解決方案,提升客戶產品競爭力

新聞中心

提供最新的單片機資訊,行業消息以及公司新聞動態

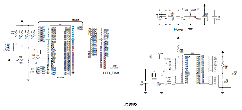
LCD驅動IC芯片-單片機開發

更新時間: 2019-05-22
閱讀量:3458

十年單片機開發方案提供商深圳英銳恩,推出煙花燈單片機方案。

應用方案主控IC含程式編號:EN1621(LCD DRIVER)
產品介紹:此產品是使用單片機內LCD驅動芯片,低功耗,可應用于各種需要微控制器驅動LCD的產品上,例如帶LCD顯示的一般家電產品和使用電池產品。

單片機開發英銳恩LCD驅動IC芯片方案

需要定制單片機開發方案的伙伴,請直接咨詢英銳恩官網客服,了解更多智能芯方案。

欢迎光临: 东城区| 侯马市| 饶河县| 册亨县| 宽甸| 上饶市| 饶平县| 吉安县| 昭通市| 密山市| 沂水县| 巴青县| 五大连池市| 浪卡子县| 苏州市| 镇远县| 沙田区| 宿迁市| 潜山县| 封丘县| 湛江市| 土默特右旗| 罗源县| 慈利县| 洛隆县| 承德市| 九台市| 蓝山县| 石门县| 新密市| 赫章县| 古蔺县| 遵义县| 延长县| 呼图壁县| 新绛县| 慈利县| 南康市| 云和县| 长海县| 鄂尔多斯市|