成人做爰黄A片免费视频网站野外,成人免费看片APP下载,成人做爰A片免费看黄冈白狐影院,成人做爰黄级A片免费看土方,成人做爰A片AAA毛真人,成人做爰A片免费看网站性晶

技術熱線: 4007-888-234

如何將反相放大器改成求和放大器?

更新時間: 2020-09-14
閱讀量:4757

我們知道,運算放大器是一種功率放大器。但是,運算放大器也可以執行求和運算。在本文中,英銳恩單片機開發工程師分享了一個運算放大器電路,它可以合并多個輸入信號,并產生單個輸出作為輸入信號的加權總和。

什么是求和放大器?求和放大器也是一種運算放大器電路,可以將多個輸入信號組合到單個輸出中,該單個輸出是所施加輸入的加權和。

什么是求和放大器?求和放大器是的一個變型反相放大器。在反相放大器中,只有一個電壓信號施加到反相輸入,如下所示:

1526733031.png

如果我們將多個輸入端子并聯連接到現有的輸入端子,則可以很容易地將此簡單的反相放大器修改為求和放大器,如下所示:

1526735123.png

在此,n個輸入端子并聯連接。此處,在電路中,運算放大器的非反相端子接地,因此該端子的電位為零。由于運算放大器被認為是理想的運算放大器,因此反相端子的電位也為零。

因此,節點1的電位也為零。從電路中還可以清楚地看出,電流i是輸入端子電流的總和。

因此,我們可以得出:

20200914161824.png

現在,在理想運算放大器的情況下,反相和同相端子的電流為零。因此,根據基爾霍夫電流定律,整個輸入電流都通過電阻Rf的反饋路徑。也就是說:

20200914161835.png

從等式(i)和(ii),我們得到:

20200914161843.png

這表明輸出電壓V0是輸入電壓數量的加權和。

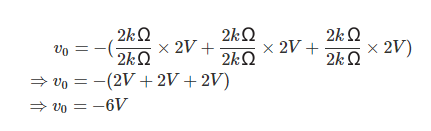
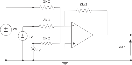
這里,我們舉個加法器示例。我們先計算出三個求和器放大器的輸出電壓,電路如下圖所示:

1505724888.png

在這里,根據求和放大器的等式,我們可以得出:

20200914161859.png

以上就是英銳恩單片機開發工程師分享的將反相放大器改成求和放大器的小知識。英銳恩專注單片機應用方案設計與開發,提供8位單片機、16位單片機、32位單片機、運放芯片和模擬開關。


欢迎光临: 比如县| 安化县| 闻喜县| 百色市| 辉南县| 安新县| 平顺县| 平南县| 鞍山市| 葫芦岛市| 武威市| 中方县| 康乐县| 大姚县| 阳原县| 施秉县| 衢州市| 林西县| 西乡县| 钟山县| 赤峰市| 池州市| 明光市| 安图县| 运城市| 白山市| 腾冲县| 山东省| 莎车县| 雷州市| 陆良县| 将乐县| 白河县| 长白| 穆棱市| 和硕县| 阳城县| 淮北市| 宁都县| 沙坪坝区| 澎湖县|