成人做爰黄A片免费视频网站野外,成人免费看片APP下载,成人做爰A片免费看黄冈白狐影院,成人做爰黄级A片免费看土方,成人做爰A片AAA毛真人,成人做爰A片免费看网站性晶

技術熱線: 4007-888-234

什么是光電二極管?光電二極管的工作原理與特性

更新時間: 2021-10-13
閱讀量:33453

在進行一些單片機項目開發時,經常會用到光電二極管。光電二極管是一種將光能轉換為電能(電壓或電流)的光傳感器。光電二極管是一種具有PN結的半導體器件。在p(正)層和n(負)層之間,存在本征層。光電二極管接受光能作為輸入以產生電流。

它也被稱為光電探測器、光電傳感器或光探測器。光電二極管工作在反向偏置條件下,即光電二極管的p側連接電池(或電源)的負極,n側連接電池的正極。

典型的光電二極管材料是硅、鍺、砷化銦鎵磷化物和砷化銦鎵。

在內部,光電二極管具有濾光器、內置透鏡和表面積。當光電二極管的表面積增加時,會導致響應時間縮短。很少有光電二極管看起來像發光二極管(LED)。它有兩個端子,如下所示。較小的端子作為陰極,較長的端子作為陽極。

Photodiode-Image-182x300.jpg

光電二極管的符號類似于LED的符號,但LED中的箭頭指向內,而不是指向外。下圖顯示了光電二極管的符號。

Photodiode-Symbol.jpg

一、光電二極管的工作原理

通常,當用光照射PN結時,共價鍵被電離。這會產生空穴和電子對。由于電子-空穴對的產生而產生光電流。當能量超過1.1eV的光子撞擊二極管時,就會形成電子空穴對。當光子進入二極管的耗盡區時,它以高能量撞擊原子。這導致電子從原子結構中釋放。電子釋放后,產生自由電子和空穴。

Photodiode-Working.jpg

一般來說,電子帶負電荷,空穴帶正電荷。耗盡能量將具有內置電場。由于該電場,電子-空穴對遠離結。因此,空穴移動到陽極,電子移動到陰極以產生光電流。

光子吸收強度和光子能量成正比。當照片的能量較少時,吸收會較多。這整個過程被稱為內光電效應。本征激發和外在激發是發生光子激發的兩種方法。當價帶中的電子被光子激發到導帶時,就會發生本征激發過程。

二、光電二極管的工作模式

光電二極管以三種不同的模式運行,它們是:

(1)光伏模式;
(2)光電導模式;
(3)雪崩二極管模式,

下面,讓我們簡單地看一下這些模式。

1.光伏模式

這也稱為零偏置模式。當光電二極管工作在低頻應用和超強光應用中時,這種模式是首選。當光電二極管受到閃光的照射時,就會產生電壓。產生的電壓將具有非常小的動態范圍并且具有非線性特性。當光電二極管在這種模式下配置OP-AMP時,溫度變化會非常小。

Photodiode-Photovoltaic-Mode.jpg

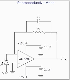
2.光電導模式

在這種模式下,光電二極管將在反向偏置條件下工作。陰極為正極,陽極為負極。當反向電壓增加時,耗盡層的寬度也增加。因此,響應時間和結電容將減少。相比之下,這種操作模式速度快,并且會產生電子噪聲。

Photodiode-Photoconductive-Mode.jpg

跨阻放大器用作光電二極管的前置放大器。這種放大器的模式保持電壓保持恒定,使光電二極管工作在光電導模式。

3.雪崩二極管模式

在這種模式下,雪崩二極管在高反向偏置條件下工作。它允許將雪崩擊穿乘以每個光產生的電子-空穴對。因此,這會在光電二極管內產生內部增益。內部增益增加了設備響應。

三、在外部電路中連接光電二極管

光電二極管在反向偏置電路中工作。陽極連接到電路地,陰極連接到電路的正電源電壓。當被光照射時,電流從陰極流向陽極。

Photodiode-Circuit-Connection.jpg

當光電二極管與外部電路一起使用時,它們連接到電路中的電源。光電二極管產生的電流量非常小。該電流值不足以驅動電子設備。因此,當它們連接到外部電源時,它會為電路提供更多電流。因此,電池用作電源。電池源有助于增加電流值,這有助于外部設備有更好的性能

四、光電二極管的VI特性

光電二極管在反向偏置條件下工作。沿X軸以伏特為單位繪制反向電壓,沿Y軸以微安為單位繪制反向電流。反向電流不取決于反向電壓。無光照時,反向電流幾乎為零。存在的最小電流量稱為暗電流。一旦光照度增加,反向電流也線性增加。

Photodiode-V-I-Characteristics.jpg

五、光電二極管的應用

1、光電二極管用于許多簡單的日常應用。使用它們的原因是光電二極管對光照的線性響應。當更多的光落在傳感器上時,它會產生大量的電流。電流的增加將顯示在連接到電路的檢流計上。
2、光電二極管有助于在光耦合器的幫助下提供電隔離。當兩個隔離的電路被光照射時,光耦合器用于光耦合電路。但電路將是電氣隔離的。與傳統設備相比,光耦合器速度更快。
3、光電二極管還用于安全電子設備,如火災和煙霧探測器。它也用于電視單元。
4、在相機中使用時,它們充當光傳感器。它用于閃爍體電荷耦合器件、光電導體和光電倍增管。
5、光電二極管還廣泛用于許多醫療應用,例如分析樣本的儀器、計算機斷層掃描的檢測器,也用于血氣監測儀。

以上就是英銳恩單片機開發工程師分享的“光電二極管的工作原理與特性”。英銳恩專注單片機應用方案設計與開發,提供8位單片機、16位單片機、32位單片機。

欢迎光临: 德保县| 东港市| 巴彦县| 凤庆县| 瓦房店市| 佛坪县| 奉贤区| 固始县| 玉树县| 如皋市| 驻马店市| 文化| 江都市| 三台县| 砚山县| 康乐县| 封开县| 平定县| 永丰县| 肥城市| 宜章县| 小金县| 镇坪县| 札达县| 德钦县| 河间市| 图片| 凉山| 枣强县| 巢湖市| 济宁市| 乌审旗| 广德县| 义乌市| 宁津县| 和顺县| 瑞安市| 吴江市| 买车| 英吉沙县| 屏边|