成人做爰黄A片免费视频网站野外,成人免费看片APP下载,成人做爰A片免费看黄冈白狐影院,成人做爰黄级A片免费看土方,成人做爰A片AAA毛真人,成人做爰A片免费看网站性晶

技術熱線: 4007-888-234

單片機電路中的接地是什么?

更新時間: 2021-01-07
閱讀量:18935

單片機電路中的接地和家庭電路的接地一樣嗎?剛接觸電路的人可能會這么問,或者會問“接地是什么?”。首先,我們需要知道,電子設備的接地不同于墻上插座的接地。

在本文中,英銳恩單片機開發工程師將簡單介紹一下什么是接地。

在電子學中,接地只是我們在電路中特定點所使用的名稱。例如,在具有一個電池(帶正極和負極端子)的電路中,我們通常將負極端子稱為接地。為了簡化繪制電路,我們使用一個符號來表示:

20210107182956.png

因此,你不必在要連接到負號的所有位置上畫線,而應在其中放置接地符號。當負號連接很多的時候,這會使電路圖更簡潔。如下圖所示:

20210107182138.png

一、顯示接地符號時的電流流動

要查看帶有接地符號的電路圖中電流的流動方式,只需連接所有具有接地符號的點。下圖為帶電流方向的示意圖:

20210107184103.png

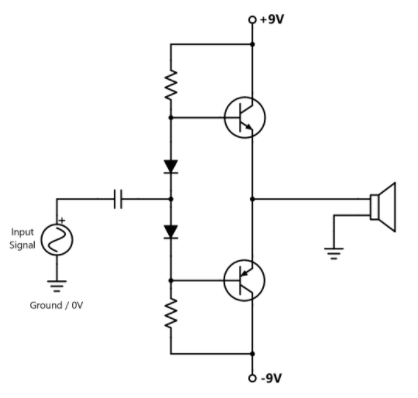
二、具有正極、負極和接地連接的電路

在一些示意圖中,您會找到到正極端子,負極端子和接地端子的連接。這些在放大器電路中很常見:

20210107184221.png

那么,這是什么原理呢?

在這種情況下,接地是正極端子和負極端子之間的中間點。例如,可以通過串聯連接兩個電源來創建這三個電壓點:

20210107184309.png

由于上圖的接地端子位于+9V和-9V之間,因此將其稱為零伏(0V)是正常的。

以上就是英銳恩單片機開發工程師分享的單片機電路中的接地知識,如果你需要更多單片機方案產品的信息,請撥打官網電話:0755-82543511,或點擊“在線咨詢”,我們的客服人員將為你提供更詳細的解答。

欢迎光临: 阿拉善盟| 东明县| 城固县| 尚义县| 秀山| 汪清县| 上杭县| 息烽县| 尖扎县| 新巴尔虎右旗| 平江县| 百色市| 甘洛县| 泾阳县| 茂名市| 册亨县| 宝鸡市| 金平| 威宁| 页游| 棋牌| 师宗县| 驻马店市| 灵川县| 竹溪县| 建瓯市| 修水县| 南靖县| 东山县| 从化市| 商城县| 涟水县| 淮安市| 曲麻莱县| 韩城市| 宿州市| 新巴尔虎右旗| 峨边| 曲阜市| 乐清市| 淮滨县|