成人做爰黄A片免费视频网站野外,成人免费看片APP下载,成人做爰A片免费看黄冈白狐影院,成人做爰黄级A片免费看土方,成人做爰A片AAA毛真人,成人做爰A片免费看网站性晶

技術熱線: 4007-888-234

PIC單片機:如何建立PICKit3程序編寫電路

更新時間: 2020-04-03
閱讀量:7384

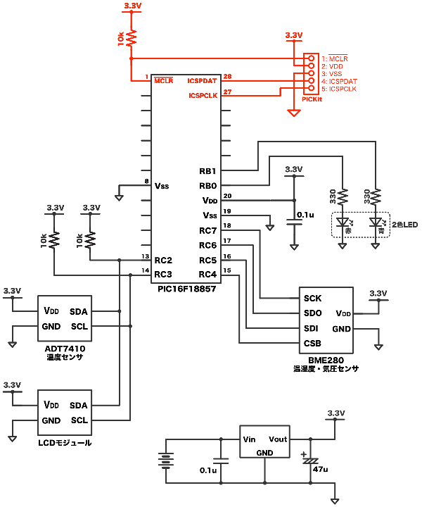
在本文中,主要解釋如何與PIC單片機建立PICKit3程序編寫電路,以下圖電路為例,組裝在試驗板上的程序編寫電路是以下電路圖的紅色部分。

pic-practice-17_pickit3.png

一、PIC單片機寫入引腳

PIC單片機的寫入引腳位于主機的末端。寫入引腳的名稱可以是“ PGD/PGC”或“ ICSPDAT/ICSPCLK”,但兩者的含義相同。

這次使用的PIC16F18857的這些引腳的排列如下。

pic-practice-17_16f18857-pin.png

另外,到目前為止使用的PIC12F1822中,除了這兩個引腳外,VSS引腳的排列如下。

pic-practice-17_12f1822-pin.png

其他PIC單片機(例如PIC18F14K50)的布置也如下。

pic-practice-17_18f14k50.png

這樣,如果將PICKit的連接器布置在PIC單片機的邊緣,則將更易于創建程序編寫電路。

檢查PIC16F18857,將PIC單片機的程序寫入引腳與PICKit的連接器對齊如下。

pic-practice-17_16f18857-pickit3-connector.png

另外,看一下PIC12F1822,它適合以下情況。

pic-practice-17_12f1822-pickit3-connector.png

這樣,PIC單片機的程序寫入引腳與PICKit3的連接器匹配,從而使接線變得容易。因此,我們將考慮引腳頭的布置,以盡可能減少接線。

二、引腳的排列方式

PIC16F18857的ICSPDAT和ICSPCLK引腳與PICKit3連接器對齊。

pic-practice-17_16f18857-and-pickit.png

此外,由于未使用PICKit3連接器的引腳6和PICkit4的引腳6至8,因此引腳接頭應該為5引腳,并連接在面包板上,如下所示:

pic-practice-17_pinheader-on-breadboard.png

這種布置消除了對ICPDAT和ICSPCLK布線的需要。之后,可以根據電路圖進行必要的連接。

三、面包板組裝

最后進行布線,這樣就可以連接電路圖了。下圖為已經接線完成,可作為參考。

pic-practice-17_pickit3-breadboard.png

以上就是英銳恩單片機開發工程師分享的使用PIC單片機建立的PICKit3程序編寫電路。英銳恩專注單片機應用方案設計與開發,提供8位單片機、16位單片機、32位單片機、運放芯片和模擬開關。

欢迎光临: 富民县| 青田县| 汤阴县| 广宗县| 宜宾市| 莱阳市| 乌鲁木齐县| 禄丰县| 宁德市| 门源| 徐闻县| 阿拉善盟| 江华| 潍坊市| 从江县| 丰台区| 平原县| 长子县| 东兰县| 丰台区| 昌图县| 正阳县| 宁强县| 乡宁县| 嘉鱼县| 芦山县| 河东区| 望奎县| 华安县| 巫山县| 都匀市| 青神县| 山西省| 桦甸市| 石城县| 广东省| 色达县| 德阳市| 信宜市| 梁山县| 仙游县|