成人做爰黄A片免费视频网站野外,成人免费看片APP下载,成人做爰A片免费看黄冈白狐影院,成人做爰黄级A片免费看土方,成人做爰A片AAA毛真人,成人做爰A片免费看网站性晶

技術熱線: 4007-888-234

什么是信號二極管?續流二極管工作原理

更新時間: 2021-12-30
閱讀量:6433

如今,數字通信信號處理設備和其他便攜式設備市場需要開發大量小尺寸電子元件。由于電路板空間的限制,電路板上電子元件的多功能集成和小型化提供了其他封裝技術的要求。在本文中英銳恩單片機開發工程師將通過了解信號二極管陣列、其配置(即共陽極、共陰極或隔離)以及作為續流二極管的應用來繼續使用信號二極管。

信號二極管用于開關操作、短持續時間波形集中的緩沖電路、高速數據線和其他I/O并聯端口。這些信號二極管在信號處理和數字通信中有著廣泛的應用。

市場上有一系列信號二極管。其中,1N4148系列信號二極管以其體積小、功率要求高等有用參數廣泛應用于大量電子電路中。在下圖中,引腳5用于接地。

為了解決數字電路板上的空間需求,信號二極管以并聯配置連接,形成稱為小信號二極管陣列的陣列。它們封裝在塑料外殼或玻璃外殼中,采用單線或雙線封裝,具有4到14個二極管以提供共陰極或共陽極配置。

1.Signal-didoe-array.jpg

節省空間的信號二極管陣列配置提供靜電放電保護、熱控制和過電壓瞬變。這些優點使二極管陣列非常適合放置在PCB上的電路中。

當信號二極管與各自的電源端子串聯連接時,連接在兩個信號二極管之間的連接處的數據線受到保護免受不必要的瞬變,從而數據將繼續沿數據線傳遞。

如果信號二極管以6重連接,則該陣列可以在單個直列式封裝中保護所有6條數據信號線。信號二極管陣列可用于調節施加到PCB上的電路的電壓。如果施加的電壓超過最大額定電壓,則提供的多余能量將作為熱量滲透,從而可能損壞設備。

2.-Data-line-connected-at-the-junction-of-two-signal-diodes-connected-in-series.jpg

信號二極管陣列–串聯

為了保護電路板免受過電壓的影響,信號二極管可以串聯或并聯配置,以提供限制范圍內的固定已知電壓。當信號二極管串聯時,陣列中二極管所需的最大電流相同,陣列中的最大電壓降將是信號二極管陣列中所有正向電壓降的總和。

在串聯配置的信號二極管陣列中,盡管連接的負載中的電流發生變化或施加的輸入電壓發生變化,但輸出電壓將是恒定的。因此,由信號二極管串聯組合提供恒定電壓。

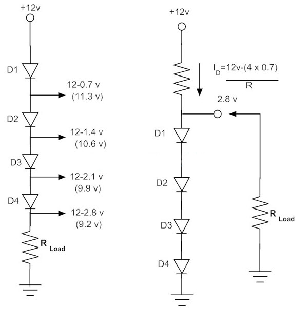
由于硅二極管的正向壓降為0.7V,并且通過硅二極管的電流變化相當大,信號二極管接在正向偏壓中,構成一個簡單的穩壓電路。

因此,從施加的輸入電壓中減去串聯組合的每個信號二極管的單獨正向壓降,以在電路末端連接的負載電阻器兩端分離一定量的電壓。這是由于除負載電阻R之外每個二極管的導通電阻。

隨著多個信號二極管的串聯,將發生大量的電壓下降。此外,與負載電阻器R并聯的串聯連接的信號二極管用作電壓調節器電路。

3.signal-diode-in-series.jpg

什么是續流二極管?

續流二極管也稱為回掃二極管、抑制二極管或鉗位二極管。續流二極管或抑制二極管是小信號二極管的組合,它們以并聯組合的方式連接在感性負載上,以抑制當電源電壓或連接的感性負載中的任何一個關閉時突然出現的電壓尖峰,從而續流二極管防止開關電路免受損壞。

這些類型的二極管為連接的負載提供平滑電流,從而消除負載上的負電壓。它主要出現在整流器中,可能在電力電子設備中很有用。續流二極管的一個通用示例是1N4007。

4.-Simple-freewheel-diode.jpg

續流二極管工作原理

續流二極管用于在繼電器驅動電路、H橋電機驅動電路中關閉感性負載時的開關應用。每當電壓源連接到開關和電感負載時,就會有兩種穩態的可能性。在第一種情況下,當開關閉合時,作為負載連接在末端的電感將從所施加的輸入電壓中獲得全部能量,因此電路中的所有電流將從正端通過電感流向負端。

在第二種情況下,當開關打開時,電感負載會經歷電流的突然下降,并將利用其積累的磁場能量來抵御它。

當施加正電位時,會集中大量的負電位,而當施加負電位時,會集中大量的正電位。由于沒有物理連接來傳遞電流,因此電荷載流子將跨越開關或晶體管的帶隙。

續流二極管允許電感器汲取電流,直到能量在連續回路中穿過二極管和導線,從而防止電荷載流子與電感器負載的交叉問題。

當開關打開時,續流二極管充當相對于電感器的正向偏置二極管,允許電感器以連續的方式將電流從正極端子傳導到負極端子。電感負載上的電壓將是續流二極管正向壓降的特定函數,二極管的總功耗時間通常為幾毫秒。

以上就是英銳恩單片機開發工程師分享的“什么是信號二極管?續流二極管工作原理”。英銳恩專注單片機應用方案設計與開發,提供8位單片機、16位單片機、32位單片機。

欢迎光临: 包头市| 安乡县| 永定县| 广安市| 沁水县| 绍兴县| 衡山县| 沾益县| 澜沧| 屏东县| 东乌珠穆沁旗| 浏阳市| 平邑县| 宜宾县| 札达县| 蓝田县| 仙桃市| 天峨县| 陕西省| 蓬溪县| 恩平市| 海盐县| 襄汾县| 秀山| 许昌县| 安徽省| 若尔盖县| 紫金县| 滨州市| 绥中县| 镇沅| 西乡县| 桐乡市| 花莲市| 南溪县| 通榆县| 拉萨市| 永泰县| 沙雅县| 阿荣旗| 越西县|