成人做爰黄A片免费视频网站野外,成人免费看片APP下载,成人做爰A片免费看黄冈白狐影院,成人做爰黄级A片免费看土方,成人做爰A片AAA毛真人,成人做爰A片免费看网站性晶

技術熱線: 4007-888-234

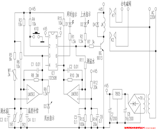
PIC12C508單片機制作太陽能熱水自動控制器

更新時間: 2019-03-22
閱讀量:2927

單片機方案開發商深圳英銳恩分享PIC12C508單片機制作太陽能熱水自動控制器。

目前市場上的太陽能熱水器自動控制裝置品種較多,但安裝都比較復雜。本設計的突出特點是安裝簡單,不用在太陽能熱水器上安裝設備,便可實現對太陽能熱水器的自動控制,且可隨時用水隨時上水,太陽能熱水器的水箱利用率高。
    一、工作原理
    本設計采取隨時用水隨時補充上水的方法,實現太陽能熱水器的自動控制。當使用太陽能熱水時,輸送熱水的水管將發熱,在水管上裝一只熱敏電阻,其阻值的變化反映了已開始用水。該信號使單片機進入探測用水是否結束的狀態。停止使用熱水后,水管的溫度開始下降,向單片機傳送停止用水的信號,使之進入準備上水的狀態。在開始上水之前,單片機進入1小時延時程序,1小時內無再使用熱水信號,即開始上水。在開始上水的同時,單片機進入溢水檢測狀態。當太陽能熱水器的水箱上滿水后,溢水管將有水流出,溢出探測器檢測到溢水后,向單片機傳送水滿信號,單片機控制停止上水。開始上水后,如在預定的時間內(30分鐘),單片機未接到水滿信號,說明自來水壓力不夠或停水,單片機進入循環檢測上水運行,每隔2小時進行一次探測上水,直到水滿為止。
    二、電路工作原理
    附圖是該設計的原理圖。

為確保用水探測和溢水探測的精確度和可靠性,采用差動式電壓比較器電路。用水時,當水管溫度使熱敏電阻TR1達到一定值時,電壓比較器輸出低電平,用水指示燈D3點亮,同時將12C508單片機③腳的電壓拉低,單片機進入探測用水是否結束的工作狀態。R11是溢水電阻,無溢水時電阻為無限大,有溢水時電阻為水電阻(30kΩ左右)。當有溢水時,電壓比較器輸出低電平,將12C508⑤腳的電壓拉低,使單片機進入停止上水的工作狀態。
    使用熱水時,用水指示燈D3點亮,單片機進入探測用水是否結束的工作狀態。使用熱水結束后,單片機進入上水延時狀態,此時延時指示燈D1閃亮。在一小時內若沒有使用熱水,單片機進入上水工作狀態。
    單片機進入上水狀態時,12C508⑦腳輸出高電平,三極管BG導通,繼電器JK吸合,控制自來水的電磁閥打開,開始向太陽能水箱上水。為確保電磁閥安全工作,12C508輸出是斷續的高電平信號,使電磁閥以間歇的方式工作。太陽能水箱水滿后,溢水口有水流出,安裝在溢水管上的溢水探針探測到水滿信號,12C508的⑤腳為低電平信號,上水停止。上水時,上水指示燈D2點亮。
    如在預定的上水時間內,得不到水滿信號,說明水壓不足或停水,單片機進入循環檢測上水,直到水滿停止。
    K10是手動上水按鈕。需要人工上水時,按一下K10,單片機進入上水工作,水滿自動停止。為確保使用安全,可選用低電壓電磁閥控制上水。

PIC12C508單片機太陽能熱水自動控制器

欢迎光临: 福清市| 南宫市| 仁布县| 抚顺县| 威海市| 东乡族自治县| 齐河县| 从化市| 芦山县| 湘潭市| 神农架林区| 长顺县| 怀化市| 渑池县| 耒阳市| 南陵县| 阿城市| 新乡县| 凭祥市| 内乡县| 安图县| 台东市| 昌平区| 天气| 伊宁市| 昌吉市| 吴川市| 奇台县| 恩施市| 榆社县| 祁连县| 临澧县| 五常市| 札达县| 淳安县| 河间市| 定日县| 台州市| 高邑县| 瑞丽市| 郓城县|