成人做爰黄A片免费视频网站野外,成人免费看片APP下载,成人做爰A片免费看黄冈白狐影院,成人做爰黄级A片免费看土方,成人做爰A片AAA毛真人,成人做爰A片免费看网站性晶

技術熱線: 4007-888-234

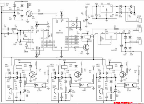
PIC單片機控制的電話小總機

更新時間: 2019-03-22
閱讀量:3438

單片機代理商深圳英銳恩分享PIC單片機控制的電話小總機方案。本小總機以PIC單片機控制,使用簡單,分機間可互相內線通話,最大優點是當供電停止時,各分機仍可打外線,且保持通話保密的功能。

PIC單片機控制的電話小總機

8870作DTMF信號檢測,送入單片機IC3-PIC16C54中,單片機根據情況控制繼電器的吸合,完成對各分機的控制。當需要內線通話時,提起某一分機(如DHJ1),提機信號通過光電耦合O2-TLP521送入IC3中,撥打分機號碼由8870檢測送入IC3,IC3驅動相應分機的繼電器吸合,以及由REL繼電器送入響鈴信號,當被叫分機提機時,REL1接通由IC4、R1組成的恒流源供電給各分機工作;當有外線電話打入時,其中一分機提機,需轉到另一分機時,撥打該分機號碼后掛機,單片機通過7腳保持提機狀態,然后通過吸合相應的繼電器,送入響鈴信號,呼叫分機;當供電停止時,由可控硅組成的分線器電路仍可保持各分機正常撥打外線及通話保密。

欢迎光临: 兰西县| 沂南县| 育儿| 东海县| 仁化县| 兴宁市| 班戈县| 乐东| 扎赉特旗| 尉氏县| 庄浪县| 巧家县| 宜川县| 伊吾县| 石家庄市| 青龙| 巍山| 斗六市| 威信县| 天等县| 和硕县| 正蓝旗| 雅江县| 梁河县| 曲麻莱县| 昌吉市| 大关县| 遂平县| 华容县| 临邑县| 曲周县| 大港区| 黄浦区| 阿图什市| 南华县| 金沙县| 泸溪县| 湖南省| 义乌市| 乌拉特前旗| 潜山县|