成人做爰黄A片免费视频网站野外,成人免费看片APP下载,成人做爰A片免费看黄冈白狐影院,成人做爰黄级A片免费看土方,成人做爰A片AAA毛真人,成人做爰A片免费看网站性晶

技術熱線: 4007-888-234

PIC16C54單片機的計數器

更新時間: 2020-04-08
閱讀量:2259

單片機方案開發商深圳英銳恩分享PIC16C54單片機的計數器。計數器在工業控制中有著廣泛的應用。傳統的數字計數器都是用中小規模數字集成電路構成的,不但電路復雜,成本高,功能修改也不易。用單片機制作的計數器可以克服傳統數字電路計數器的局限,有著廣闊的應用前景。
  本文介紹的計數器采用Microchip公司的PIC16C54單片機。該型單片機為RISC結構,在4MHz的工作頻率下,每一個指令周期為1μs,運行速度大大超過MCS-51系列,適用于對實時性要求較高的工業控制領域。
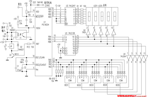
  電路原理
  附圖為計數器的原理圖。PIC16C54單片機具有兩個I/O口,RA口有4條I/O線,RB口有8條I/O線。本計數器中RA口設置為輸入口,用于讀取BCD撥盤開關(BCD1~BCD5)設定的計數值;RB口設置為輸出口,用于對數碼管進行掃描和控制輸出繼電器。T0CKI為PIC16C54單片機內部計數器的輸入腳,計數脈沖經過光電轉換后從該腳輸入,PIC16C54的內部計數器對輸入的脈沖進行計數。
  由于該內部計數器寬度僅有8位,最多只能計數到256,因此要用軟件對該計數器進行擴展,以滿足實際計數需要。 

 BCD撥盤開關(BCD1~BCD5)設定計數終止值,當擴展的內部計數器計到與BCD撥盤開關設定值相等時,RB7輸出高電平,使繼電器吸合,控制外部設備。此時,即使有計數脈沖輸入,計數器也不會再計數,必須在復位端輸入復位信號,才能重新計數。
  軟件設計
  本計數器的主程序完成BCD撥盤開關的讀取和數碼管掃描。數碼管采用動態掃描的方法顯示,每個數碼管依次亮一定的時間,利用人的視覺暫留使數碼管看上去是全亮的。每個數碼管亮時都調用一個延時程序,在延時程序中,實現對T0CKI腳的檢測與PIC16C54單片機內部計數器的操作。由于PIC16C54沒有中斷功能,用這種方法可以實現實時計數。

基于PIC16C54單片機的計數器

欢迎光临: 潼关县| 武邑县| 吉林市| 衡南县| 广元市| 二连浩特市| 三亚市| 博湖县| 丹东市| 军事| 枞阳县| 鹰潭市| 内乡县| 濮阳县| 德安县| 萍乡市| 宁阳县| 瑞金市| 政和县| 民权县| 苏州市| 宁城县| 健康| 景谷| 双牌县| 陆川县| 会同县| 滕州市| 天柱县| 河西区| 化德县| 鄂托克前旗| 龙山县| 金门县| 赤壁市| 常德市| 普格县| 万源市| 连平县| 格尔木市| 怀来县|