成人做爰黄A片免费视频网站野外,成人免费看片APP下载,成人做爰A片免费看黄冈白狐影院,成人做爰黄级A片免费看土方,成人做爰A片AAA毛真人,成人做爰A片免费看网站性晶

技術熱線: 4007-888-234

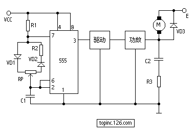
555定時器內部電源理圖

更新時間: 2019-03-21
閱讀量:4740

單片機方案開發深圳英銳恩分享555定時器內部電源原理圖。

555定時器內部電源原理圖如下:

555定時器內部電源原理圖

我們知道,555電路在應用和工作方式上一般可歸納為3類。每類工作方式又有很多個不同的電路。

  在實際應用中,除了單一品種的電路外,還可組合出很多不同電路,如:多個單穩、多個雙穩、單穩和無穩,雙穩和無穩的組合等。這樣一來,電路變的更加復雜。為了便于我們分析和識別電路,更好的理解555電路,這里我們這里按555電路的結構特點進行分類和歸納,把555電路分為3大類、8種、共18個單元電路。每個電路除畫出它的標準圖型,指出他們的結構特點或識別方法外,還給出了計算公式和他們的用途。方便大家識別、分析555電路。下面將分別介紹這3類電路。


 單穩類電路
單穩工作方式,它可分為3種。見圖示。
  第1種(圖1)是人工啟動單穩,又因為定時電阻定時電容位置不同而分為2個不同的單元,并分別以1.1.1和1.1.2為代號。他們的輸入端的形式,也就是電路的結構特點是:“RT-6.2-CT”和“CT-6.2-RT”。

 第2種(圖2)是脈沖啟動型單穩,也可以分為2個不同的單元。他們的輸入特點都是“RT-7.6-CT”,都是從2端輸入。1.2.1電路的2端不帶任何元件,具有最簡單的形式;1.2.2電路則帶有一個RC微分電路。

第3種(圖3)是壓控振蕩器。單穩型壓控振蕩器電路有很多,都比較復雜。為簡單起見,我們只把它分為2個不同單元。不帶任何輔助器件的電路為1.3.1;使用晶體管、運放放大器等輔助器件的電路為1.3.2。圖中列出了2個常用電路。


 雙穩類電路
  這里我們將對555雙穩電路工作方式進行總結、歸納。555雙穩電路可分成2種。
  第一種(見圖1)是觸發電路,有雙端輸入(2.1.1)和單端輸入(2.1.2)2個單元。單端比較器(2.1.2)可以是6端固定,2段輸入;也可是2端固定,6端輸入。

  第2種(見圖2)是施密特觸發電路,有最簡單形式的(2.2.1)和輸入端電阻調整偏置或在控制端(5)加控制電壓VCT以改變閥值電壓的(2.2.2)共2個單元電路。
 
 雙穩電路的輸入端的輸入電壓端一般沒有定時電阻和定時電容。這是雙穩工作方式的結構特點。2.2.2單元電路中的C1只起耦合作用,R1和R2起直流偏置作用。


無穩類電路
  第三類是無穩工作方式。無穩電路就是多諧振蕩電路,是555電路中應用最廣的一類。電路的變化形式也最多。為簡單起見,也把它分為三種。
  第一種(見圖1)是直接反饋型,振蕩電阻是連在輸出端VO的。

  第二種(見圖2)是間接反饋型,振蕩電阻是連在電源VCC上的。其中第1個單元電路(3.2.1)是應用最廣的。第2個單元電路(3.2.2)是方波振蕩電路。第3、4個單元電路都是占空比可調的脈沖振蕩電路,功能相同而電路結構略有不同,因此分別以3.2.3a 和3.2.3b的代號。
 
 第三種(見圖3)是壓控振蕩器。由于電路變化形式很復雜,為簡單起見,只分成最簡單的形式(3.3.1)和帶輔助器件的(3.3.2)兩個單元。圖中舉了兩個應用實例。

 無穩電路的輸入端一般都有兩個振蕩電阻和一個振蕩電容。只有一個振蕩電阻的可以認為是特例。例如:3.1.2單元可以認為是省略RA的結果。有時會遇上7.6.2三端并聯,只有一個電阻RA的無穩電路,這時可把它看成是3.2.1單元電路省掉RB后的變形。
  以上歸納了555的3類8種18個單元電路,雖然它們不可能包羅所有555應用電路,古話講:萬變不離其中,相信它對我們理解大多數555電路還是很有幫助的。
  各種應用電路
555觸摸定時開關
  集成電路IC1是一片555定時電路,在這里接成單穩態電路。平時由于觸摸片P端無感應電壓,電容C1通過555第7腳放電完畢,第3腳輸出為低電平,繼電器KS釋放,電燈不亮。
 
當需要開燈時,用手觸碰一下金屬片P,人體感應的雜波信號電壓由C2加至555的觸發端,使555的輸出由低變成高電平,繼電器KS吸合,電燈點亮。同時,555第7腳內部截止,電源便通過R1給C1充電,這就是定時的開始。
當電容C1上電壓上升至電源電壓的2/3時,555第7腳道通使C1放電,使第3腳輸出由高電平變回到低電平,繼電器釋放,電燈熄滅,定時結束。
定時長短由R1、C1決定:T1=1.1R1*C1。按圖中所標數值,定時時間約為4分鐘。D1可選用1N4148或1N4001。


 相片曝光定時器
  附圖電路是用555單穩電路制成的相片曝光定時器。用人工啟動式單穩電路。
  工作原理:
  電源接通后,定時器進入穩態。此時定時電容CT的電壓為:VCT=VCC=6V。對555這個等效觸發器來講,兩個輸入都是高電平,即VS=0。繼電器KA不吸合,常開點是打開的,曝光照明燈HL不亮。
 
  按一下按鈕開關SB之后,定時電容CT立即放到電壓為零。于是此時555電路等效觸發的輸入成為:R=0、S=0,它的輸出就成高電平:V0=1。繼電器KA吸動,常開接點閉合,曝光照明燈點亮。按鈕開關按一下后立即放開,于是電源電壓就通過RT向電容CT充電,暫穩態開始。當電容CT上的電壓升到2/3VCC既4伏時,定時時間已到,555等效電路觸發器的輸入為:R=1、S=1,于是輸出又翻轉成低電平:V0=0。繼電器KA釋放,曝光燈HL熄滅。暫穩態結束,有恢復到穩態。
  曝光時間計算公式為:T=1.1RT*CT。本電路提供參數的延時時間約為1秒~2分鐘,可由電位器RP調整和設置。
  電路中的繼電器必需選用吸合電流不應大于30mA的產品,并應根據負載(HL)的容量大小選擇繼電器觸點容量。


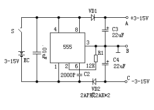
 單電源變雙電源電路
附圖電路中,時基電路555接成無穩態電路,3腳輸出頻率為20KHz、占空比為1:1的方波。3腳為高電平時,C4被充電;低電平時,C3被充電。由于VD1、VD2的存在,C3、C4在電路中只充電不放電,充電最大值為EC,將B端接地,在A、C兩端就得到+/-EC的雙電源。本電路輸出電流超過50mA。


 簡易催眠器
  時基電路555構成一個極低頻振蕩器,輸出一個個短的脈沖,使揚聲器發出類似雨滴的聲音(見附圖)。揚聲器采用2英寸、8歐姆小型動圈式。雨滴聲的速度可以通過100K電位器來調節到合適的程度。如果在電源端增加一簡單的定時開關,則可以在使用者進入夢鄉后及時切斷電源。


 直流電機調速控制電路
  這是一個占空比可調的脈沖振蕩器。電機M是用它的輸出脈沖驅動的,脈沖占空比越大,電機電驅電流就越小,轉速減慢;脈沖占空比越小,電機電驅電流就越大,轉速加快。因此調節電位器RP的數值可以調整電機的速度。如電極電驅電流不大于200mA時,可用CB555直接驅動;如電流大于200mA,應增加驅動級和功放級。

 圖中VD3是續流二極管。在功放管截止期間為電驅電流提供通路,既保證電驅電流的連續性,又防止電驅線圈的自感反電動勢損壞功放管。電容C2和電阻R3是補償網絡,它可使負載呈電阻性。整個電路的脈沖頻率選在3~5千赫之間。頻率太低電機會抖動,太高時因占空比范圍小使電機調速范圍減小。


用555制作的D類放大器

 由IC555和R1、R2、C1等組成100KHz可控多諧振蕩器,占空比為50%,控制端5腳輸入音頻信號,3腳便得到脈寬與輸入信號幅值成正比的脈沖信號,經L、C3接調、濾波后推動揚聲器。


風扇周波調速電路
  夏天要來了,電風扇又得派上用場。這里介紹一個電風扇模擬陣風周波調速電路,可以為將我們家里的老式風扇增加一個實用功能,也算是一個迎接夏天到來的準備吧。下面介紹其工作原理。

 電路見圖1a。電路中NE555接成占空比可調的方波發生器,調節RW可改變占空比。在NE555的3腳輸出高電平期間,過零通斷型光電耦合器MOC3061初級得到約10mA正向工作電流,使內部硅化鎵紅外線發射二極管發射紅外光,將過零檢測器中光敏雙向開關于市電過零時導通,接通電風扇電機電源,風扇運轉送風。在NE555的3腳輸出低電平期間,雙向開關關斷,風扇停轉。
  MOC3061本身具有一定驅動能力,可不加功率驅動元件而直接利用MOC3061的內部雙向開關來控制電風扇電機的運轉。RW為占空比調節電位器,亦即電風扇單位時間內(本電路數據約為20秒)送風時間的調節,改變C2的取值或RW的取值可改變控制周期。
  圖1b電路為MOC3061的典型功率擴展電路,在控制功率較大的電機時,應考慮使用功率擴展電路。制作時,可參考圖示參數選擇器件。由于電源采用電容壓降方式,請自制時注意安全,人體不能直接觸摸電路板。


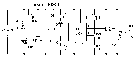
電熱毯溫控器
  一般電熱毯有高溫、低溫兩檔。使用時,撥在高溫檔,入睡后總被熱醒;撥在低溫檔,有時醒來會覺得溫度不夠。這里介紹一種電熱毯溫控器,它可以把電熱毯的溫度控制在一個合適的范圍。
 `
 工作原理:
  電路如圖所示。圖中IC為NE555時基電路。RP3為溫控調節電位器,其滑動臂電位決定IC的觸發電位V2和閥電位Vf,且V5=Vf=2Vz。220V交流電壓經C1、R1限流降壓,D1、D2整流、C2濾波,DW穩壓后,獲得9V左右的電壓供IC用。室溫下接通電源,因已調V2<vz、v6

Vz,V6&ge;Vf時,IC翻轉,3腳變為低電平,BCR截止,電熱絲停止發熱,溫度開始逐漸下降,BG1的ICEO隨之逐漸減小,V2、V6降低。當V6<VF,V2&le;VZ時,IC的3腳電位回到高電位,BCR又觸發導通,電熱絲又開始發熱。實際證明,調節RP2使V2=12V6時,溫差為零;而V2=”V6時最大。

欢迎光临: 舞钢市| 通河县| 休宁县| 仲巴县| 鹰潭市| 时尚| 凌云县| 越西县| 靖江市| 香格里拉县| 平舆县| 金塔县| 连云港市| 孟连| 丹东市| 公安县| 杂多县| 利津县| 梁河县| 额济纳旗| 沈丘县| 富民县| 冕宁县| 堆龙德庆县| 石棉县| 大厂| 吉林市| 来宾市| 康乐县| 和龙市| 天峨县| 凤冈县| 云梦县| 宁津县| 手机| 赞皇县| 和平区| 昆山市| 浦江县| 庐江县| 公主岭市|