技术热线: 4007-888-234

基于TPIC6B273的LED驱动控制设计

更新时间: 2019-03-25
阅读量:405

1 概述

TPIC6B273是美国TI公司生产的一种8通道D型触发器锁存、功率输出新型器件,该器件集8位数据锁存、驱动输出控制为一体,可用于LED显示器的驱动等方面。其基本特点为:

图片.png

● 具有8通道功率DMOS晶体管输出,每个通道可连续输出150mA的电流;

● 各输出回路导通电阻低至5Ω

● 每个输出通道典型限定能力为500mA;

● 输出端为OC门形式,外接设备(器件)驱动电源可高达50V。

TPIC6B273采用20脚双列直插式DIP封装形式,其引脚排列如图1所示。它的控制方式与74LS(HC)273的控制方式相同。

2 应用电路

TPIC6B273器件是74LS273与MC1413两器件结合的产物(MC1413为7路输入/输出驱动,而TPIC6B273为8路输出驱动),因此,该器件使用简单且应用电路设计方便,现给出利用该器件设计的3种LED显示器驱动电路的实例。

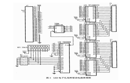
2.1 LED电子礼花树驱动控制

本电路的驱动电路原理图如图2所示。为了扩展方便,该电路系统采用插板结构,每个输出插板选用4个TPIC6B273作数据锁存和功率驱动,图中通过译码芯片74HC688、74HC393与跳线开关K1等完成地址选择、译码及TPIC6B273的选通和数据锁存工作。电子礼花树上的LED工作于动态状态,设其工作电流为45mA(3~4倍的静态额定工作电流),各色LED的平均电压为2.5V,各芯片的每一路输出可带动的LED为:2.5×20×3=150个,实际情况下,为了可靠工作,通常选择驱动一半数量(约80个)的LED驱动,这样,每个电子礼花树驱动板可驱动的LED为:80×8×4=2560个。该电路经长时间的工作实践检验,TPIC6B273工作可靠,系统工作性能良好。

图片.png

2.2 LED显示屏驱动控制

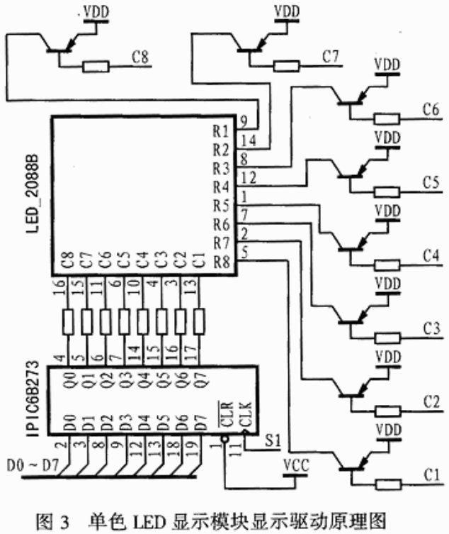
用于发布消息、显示汉字的点阵式LED显示屏通常由若干块LED点阵显示模块组成;用于显示汉字、图形的8×8单色LED显示点阵模块,每块有64个LED;而红、绿双色LED显示点阵模块有64个红色LED和64个绿色LED。为了减少引脚且便于封装,各种LED显示点阵模块都采用阵列形式排布,即在行列线的交点处接有显示LED。因此,LED点阵显示模块的显示驱动只能采用动态驱动方式,每次最多只能点亮一行LED(共阳形式LED显示点阵模块)或一列LED(共阴形式LED显示点阵模块)。由于TPIC6B273是以OC门方式输出的,所以特别适宜选择共阳形式LED显示点阵模块做基础显示单元。图3所示是一个单色 LED显示模块(单色8×8点阵)的显示驱动原理图。图中,由8个晶体管为LED点阵显示模块(8行LED)提供行驱动电流,TPIC6B273则用于控制一个单色LED显示模块的列方向显示,微机通过总线操作控制来完成对每一个LED点阵显示模块内每个LED显示点的亮、暗控制操作。以此类推,可实现整屏LED点阵的亮、暗控制,从而实现LED显示屏汉字或图象的显示控制操作。

图片.png

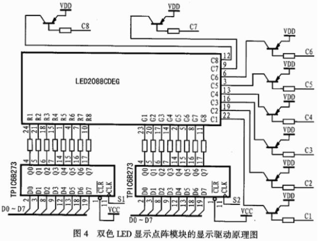
红、绿双色LED显示点阵模块在同一点阵显示窗内共同封装了红、绿各一个LED显示元件。因此,每一个点均可实现红、绿、橙(红色、绿色LED同时点亮时)三色的显示。当以占空比的方式控制显示亮度时,还可以实现灰度变化。图4是双色LED显示点阵模块的显示驱动原理图。若采用共阳形式双色LED显示模块,那么双色LED显示点阵模块将有8路共阳行向驱动引线以及红、绿各8路列向灌电流驱动引线。这样,通过对行方向各晶体管的控制便可为显示模块内的红、绿两色LED提供动态驱动电流。两个TPIC6B273则分别控制红、绿色LED的列方向显示。因此,对两个TPIC6B273的适当选通并锁存特定的数据,便可对每一个红、绿双色LED显示模块上的显示点实现红、绿、橙或无色4种状态的显示控制。

58adc9b4ebdf4f329527ac06ce54bf0d.png