技术热线: 4007-888-234

基于微控制器的LED驱动器拓扑、权衡和局限

更新时间: 2019-03-25
阅读量:425

  本文主要探讨基于微控制器的LED驱动器。它考察了以微控制器作为系统核心所能采用的各种不同拓扑结构。它还详细讨论了各种拓扑的权衡,着重于它们的主要特性和局限:通讯、电压和电流容量、调光技术,以及开关速度等。

 什么是高亮度LED,它需要用什么来驱动?
 高亮度发光二极管(HI-LED)是一种半导体设备,只允许电流按一个方向流动。它是由两种半导体材料结合后所形成的PN结构成的。高亮度LED与标准LED的差别在于它们的输出功率。传统LED的输出功率一般都限定在50毫瓦以内,而高亮度LED可达1-5瓦。

 图1显示了HI-LED内部电压与电流的典型关系。在正向电压 (VF)超出内部门槛电压前,HI-LED上几乎没有正向电流(IF)流过。如果VF进一步升高,曲线将以线性斜率突然快速上升,形成一个形似膝盖的曲线。

ED的电压与电流关系曲线.png

 LED的输出亮度与正向电流成正比,因此,如果IF未得到适当控制,输出亮度就可能出现无法接受的变化。另外,如果超过制造商规定的最大IF限制,还可能严重缩短LED的使用寿命。

高亮度LED应该由电子驱动器进行控制,这些电子驱动器的主要功能是构成一个恒定的电流源。采用本文后面介绍的技术,这些电路可以提供发光度控制,在某些情况下还可以对温度变化进行补偿。

为确保系统所提供色彩的一致性,HI-LED的制造商建议以恒定的标称电流的脉冲输出对LED进行亮度调节。

简单拓扑及其权衡 
设计高亮度LED驱动器面临的挑战是构造一个控制良好的、可编程的、稳定的电流源,而且还有较高的效率。

使用串联电阻器(线性法) 
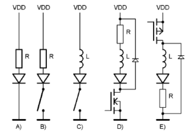
 调节电流的最简单方式就是加一个串联电阻器,如图2A所示。其优点在于成本低、实施简单,而且不会由于开关而产生噪音。不幸的是,这种拓扑有两个主要缺陷:第一,电阻器上的大量损耗导致系统效率降低;其次,它不能改变发光度。而且,这种方案需要用稳压源来得到恒定的电流。举个例子,如果我们假设VDD5伏,而LED的VF3.0伏,那么如果需要产生350毫安的恒定电流,您将需要:R=V/I,此时R = (5V-3.0V)/350mA = 5.7Ω。

可以看到,采用这些值,R将消耗R×I20.7瓦(几乎相当于LED的功率),因此总体效率就不可避免地低于50%。 

 这种方法假定有恒定的VDD和恒定的VF。实际上,VF会随着温度的变化而变化,使得电流也发生变化。采用较高的VDD可以将由VF引起的总体电流变动降至最低,但是会在电阻器上产生巨大损耗,从而进一步降低效率。

 当我们构造了一个流过LED的恒定电流后,就需要找到某种方法来设置不同的发光度。我们知道这些LED总是需要以其标称电流来驱动的,所以我们可以用可编程的占空比来通断电流,从而实现对发光度的控制。这样就需要一个开关,如图2B所示。

LED驱动器拓扑.png

LED和开关电流.png

采用线性电流源 
加上一个晶体管和/或一个运算放大器,可以把电流非常精确地设置为350毫安。不幸的是,总体效率和R的功率损耗问题依旧。

采用低端开关(开关模式法) 
2C显示了这一概念。如图3所示,通过允许电感器L上的电流在开关导通时上升,在开关断开时下降,我们可以调节流经LED的电流。同任何感性负载一样,当开关断开时,我们需要为电流提供一条通路。这可以通过图2D中的续流二极管来实现,图中我们用N通道MOSFET来代替开关,并且加上电阻器R用以测量流经LED的电流。

当电流降至低电流阈值(如300mA)时,开关将导通,而当电流升至高电流阈值(如400mA)时,开关将断开。

此例中开关置于低端(该方法因此得名),实现方法非常简单。导通FET只需在其门极上加5V电压,这可以由微控制器的一个输出口直接提供。而且,这种拓扑不再需要恒定的VDD电压,即使输入电压在波动,也能维持调节电流。

电流感应电阻R必须位于电路的"高端"部分。如果把它连到MOSFET的源极,就只能测得开关导通时LED上电流,不能用来调节另一个阈值了,参见图3。

这种拓扑看起来像是升压转换器的前端,它具有使用N通道、低成本FET的优势,但需要在R两端进行电压差分测量,以获取流经LED的电流。

请注意开关实际上提供了两种功能:首先,它使得在电感器上产生可调节的电流;其次,它允许发光度调节。

采用高端开关 

除了负载和晶体管交换位置,这个电路与前面的完全相同。图2E中显示的开关就位于"高端"。我们还把FET从N通道变成P通道。N通道FET要求VGS>5V以完全导通:在本拓扑中,N通道的源极电压会不断变化,而且经常在3伏以上,所以在门极上至少需要8伏的电压。这就需要一个类似充电泵的门驱动电路,使得整个电路有点更加复杂。如果就用一个P通道FET,而且又可以直接从微控制器的输出端为它提供-5V的VGS,那就简单多了。这种拓扑类似于降压转换器的前端。

它的主要优势是能直接在R的两端进行电流测量,因此不再需要差分测量的方法。

亮度调节技术
有很多技术都可以对LED进行亮度调节,其中不少是专利技术。这里对其中几种进行简要介绍。在所有方法中,平均发光度都是通过以非常快的速度(避免闪烁)完全点亮(以其标称电流)再关闭LED获得的,而且与LED点亮时间的百分比成正比。

脉宽调制 
这种技术采用周期为T的固定频率,如图4所示。亮度的调节通过改变脉冲宽度来实现。图4显示了三种不同的发光度级别,其占空比分别是6%、50%和94%。

频率调制 
这种技术由Artistic Licence公布,它采用固定宽度控制脉冲的概念,如图5所示。脉冲A总是相同的宽度,发光度由脉冲A的重复间隔来控制。

位角调制.png

通信协议
DMX512 
DMX512是由U.S.I.T.T(美国剧场技术研究所)公布的一项标准。该协议最初用来控制照明调光器,现在已经延伸到控制灯具移动、幻灯片放映机和很多其它照明设施。DMX512运行在EIA-485标准上。数据在8位异步串行通信的基础上进行传输,1个开始位、2个停止位,且无奇偶校验。它具有256个亮度调节级别。

DALI (数字寻址照明接口)
DALI是为电子镇流器的通信所开发的一种标准,它作为附录包含在ECG标准IEC 929中。DALI被设计用于标准组件和简单布线,即低成本应用。

应用领域可能是调节灯光和预置不同照明环境的数值、根据日照的方向和节能因素等适当调节灯光设置。

DALI的基础是主-从原则:用户通过控制器(主机)对系统进行操作,控制器向所有镇流器(从机)发送包含地址和命令的消息。地址决定着镇流器是否应该听从指示。每个镇流器都是数字寻址的,因此它对电磁噪声并不敏感(优于模拟1-10伏调光器开关系统)。

ZIGBEE
Zigbee是由Home RF lite和IEEE 802.15.4规格结合而成的通信协议。Zigbee运行在2.4GHz和868/915MHz ISM波段内。由于它能以较低的成本得到低功耗,照明应用成为其主要市场之一。Zigbee提供的网络功能在照明系统中也非常有用,而且它还具有无线控制的优势。

采用微控制器的局限 
电压和电流 
如果VDDLED和微控制器的共同电源,那么此电压就只能驱动一个LED。我们已经讨论过的简单拓扑不允许LED电压高于VDD,请参见图2和图7。若串联使用LED,则所有的LED有相同的电流,这是一个优点,但VDD必须更高,而且微控制器需要一个单独的电源。

.png

df7bbdb95e1a4ff58f8230989fada77d.png

支持通信的物理接口 
微控制器只提供简单的同步(SPI)或异步(SCI)通信。要想实施DALI、DMX、LIN通信协议等,它还需要额外的硬件和软件。

恒流调节和开关速度 
本应用中的关键参数就是开关速度。开关速度越慢,电感器越大,成本也就越高。大多数微控制器都可以在大约15微秒内完成A/D转换。加上一些比较读数和内部阈值的指令,现在,我们可以说一个完整的开关周期为30至40微秒,再加上15微秒的不确定时间。这个误差定义了图8中所示的最小电感值。另外一个方案就是任意设置导通和关断的持续时间,然后根据实际情况重新调节这些值,去尝试并达到两个电流阈值。这种间接方案允许采用更小、成本更低的电感器,但是准确度较差。

调光和调制速度 
100%的发光度上无需调制晶体管。在另外一个极端,对最低的发光度级别(如1%)来说,需要将晶体管开启1%的时间。假设亮度调节必须在100 Hz或更高的频率上完成,以避免闪烁现象,则PWM频率必须是10 kHz或更高。但是肉眼在低发光度区间可以分辨出细微的变化,因此100级是远远不够的。如果需要4000级(12位分辨率),则PWM的频率必须达到400 kHz以上,这对一个简单微控制器来说几乎是不可能的。

未来展望 
现在,我们已经看到设计一个基于微控制器的高亮度LED驱动器是多么简单。三个主要的局限在于处理速度和电感器的大小及调光分辨率的影响、具有行业标准的通信功能,以及对多输出和/或LED串的驱动能力。

在今后的文章中,我们将解决所有这些局限的问题。