成人做爰黄A片免费视频网站野外,成人免费看片APP下载,成人做爰A片免费看黄冈白狐影院,成人做爰黄级A片免费看土方,成人做爰A片AAA毛真人,成人做爰A片免费看网站性晶

技術熱線: 4007-888-234

什么是負反饋電路?負反饋電路的優缺點

更新時間: 2021-10-21
閱讀量:27963

電子系統的主要關注點是穩定性和準確性,為了保持這些關鍵因素,輸出的某些部分需要連接回系統的輸入,這稱為反饋。

控制系統根據反饋連接分為兩種類型,例如閉環系統和開環系統。開環控制系統不包含任何反饋路徑,而閉環系統包含用于自動糾正錯誤的反饋路徑。

根據反饋的性質,閉環系統又分為兩種類型,它們是正反饋系統和負反饋系統。在正反饋系統中,反饋與輸入信號相加。

在負反饋信號中,從輸入信號中減去一定量的信號以調節輸出。基于負系統工作的系統被稱為“負反饋電路”。這也稱為“退化反饋”。

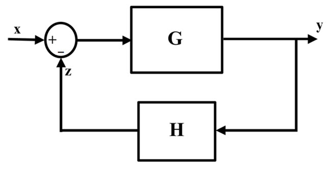
負反饋系統的基本框圖如下所示,分別以 X、Y、Z 作為輸入、輸出和反饋回路。

Introduction.jpg

一、晶體管反饋電路

用晶體管設計的電路的缺點是增益、失真、輸入和輸出電阻以及信噪比等特性取決于晶體管的特性。這個困難可以通過引入負反饋來克服。負反饋減少了電路中的失真,并使我們能夠將輸入和輸出控制到所需的水平。

1、射極跟隨器電路中的反饋

射極跟隨器電路如下圖所示。晶體管的發射極通過電阻接地,輸出在發射極和接地電阻的并聯節點處測量。其中 V BE是晶體管的基極和發射極之間的壓降,射極跟隨器電路的負反饋操作可表示為 V in = V BE + V out。

Feedback-in-emitter-follower-circuit.jpg

現在 V BE = V in – V out。如果電路的反饋商 B = 1,則增益可以計算為 A = 1/B = 1。

2、射極跟隨器電路的優點

這種射極跟隨器電路提供了兩個主要優點:
它提供電流放大而不提供任何電壓增益
它提供阻抗匹配。

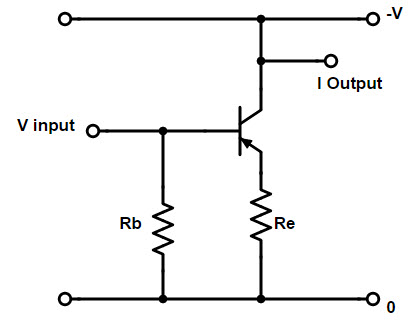
3、共發射極電路反饋

共發射極電路如下圖所示。晶體管的發射極通過電阻 Re 接地,輸出在集電極和電源電阻 Rc 的并聯節點處測量。

當 VBE 是晶體管的基極和發射極之間的壓降時,共發射極電路的輸入可表示為 V in = V BE + i E R E。該電路的輸出為Vout = -i ? ? ?。

Feedback-in-common-emitter-circuit.jpg

在共發射極晶體管中引入負反饋有兩種方法。這兩種方法如下所示:


method-1.jpg

method-2.jpg

上圖a、b中的電路是同一個電路,采用不同的負反饋連接方式。

二、運算放大器反饋電路

與反饋相連的運放電路稱為“運放反饋電路”。帶負反饋連接的運算放大器有兩種應用。它們是非反相運算放大器電路反相運算放大器電路。

1、同相運放電路

同相運算放大器電路如下所示。該電路的輸入連接到運算放大器的同相端子,反饋信號連接到通過電阻接地的反相端子。因此它具有高輸入阻抗。

Non-inverting-op-amp-circuit.jpg

我們可以輕松確定同相運算放大器的增益。由于兩個輸入端的電壓相同,運算放大器的增益將非常高。假設沒有電流流入運算放大器,則兩個電阻中的電流相同。

由于電路形成分壓器電路,反相輸入端的電壓與同相輸入端的電壓相同,這意味著 Vin = Vout x R1 / (R1 + R2)。同相運算放大器的增益可以計算為

Vout/Vin = AV = 1 + R2/R1

這可以通過非反相放大器電路操作清楚地解釋。

2、同相放大器

使用運放的同相放大器如下圖所示,其中輸入連接到運放的正端或同相端。

Non-inverting-amplifier.jpg

在同相放大器中,輸出的性質將與輸入信號的性質相同。也就是說,如果輸入信號為正,則輸出同樣為正,如果輸入信號為負,則輸出也為負。

3、運算放大器的增益方程

如果開環增益為 AOL,則同相運算放大器的輸出電壓為:

VOut = AOL (Vin – V – ) → (1)

其中 V- 是輸出電壓的函數,由電阻器 R1 和 R2 形成的分壓器產生。由于運算放大器的負端將具有高阻抗,因此等于

V- = β VOut  → (2)

其中 β = R1 / (R1 + R2)。

現在將方程(2)代入方程(1),我們得到:

VOut = AOL(Vin – β VOut)

通過解決這個問題,我們得到:

V?Out = Vin (1/(β+1/AOL))

如果AOL的值很高,那么代入β的值,我們得到:

V?Out = Vin (1+ R1/R2 )

4、反相運放電路

反相運算放大器電路如下所示。該電路的輸入連接到運算放大器的反相端或負端,反饋信號也連接到反相端。反相運算放大器電路的輸出與其輸入信號相比相差 1800 倍,并且提供了一條虛擬路徑。

Inverting-op-amp-circuit.jpg

在這個電路中,輸入本身沒有消耗電流。所以流過電阻 R1 和 R2 的電流是相同的。因此 Vout/R2 = Vin/R1。現在電路 Av 的電壓增益為

Vout/Vin = AV = – R2/R1

這可以通過反相放大器電路操作清楚地解釋。

5、反相放大器

使用運放的反相放大器如下圖所示,其中輸入連接到運放的負端或反相端。

Inverting-op-amp-circuit1.jpg

在反相放大器中,輸出的性質將與輸入信號的性質相反。也就是說,如果輸入信號為正,輸出也為負,同樣,如果輸入信號為正,輸出也為負。

6、運算放大器的增益方程

我們可以用同相運放電路的輸出電壓方程求出反相運放電路的增益。

VOut = AOL (Vin – V – ) → (1)

這里 V –由 R f和 R in形成的分壓器計算得出,它是輸入和輸出電壓(Vout 和 Vin)的函數。所以

V – = 1/(R f + R in ) (R f V in + R in V out ) → (2)

現在將方程(2)代入方程(1),我們得到:

V輸出= -V輸入。(A(OL ).R f )/(R f + R in + A(OL ).R in )

如果開環增益值 AOL 非常高,則:

VOut = -Vin (1+ R f /R in )

有時,在運算放大器的接地和非反相輸出之間插入一個電阻器,以降低由于偏置電流電壓下降引起的輸入失調電壓。這減少了運算放大器的失真。為了消除不需要的直流電流,在運算放大器的輸入端串聯一個隔直流電容器。

三、負反饋的優點

(1)負反饋可以穩定幾乎任何類型的干擾或噪聲發生。
(2)它用于克服系統的非線性。
(3)它幫助我們拉平系統的頻率響應,并允許我們獲得所需的頻率響應曲線。(減少頻率失真)
(4)負反饋使系統較少依賴于系統的溫度和其他外部特性。
(5)它增加了輸入電阻,即它增加了輸入阻抗
(6)降低輸出電阻,即降低輸出阻抗
(7)增加輸出信號的帶寬
(8)降低系統對外部特性的敏感性。
(9)提供偏置點穩定性和更好的 CMMR。

四、負反饋的缺點

(1)連接負反饋會降低系統的整體增益。
(2)如果系統設計不當,可能會導致產生振蕩。

以上就是英銳恩單片機開發工程師分享的“什么是負反饋電路?負反饋電路的優缺點”。英銳恩專注單片機應用方案設計與開發,提供8位單片機、16位單片機、32位單片機。

欢迎光临: 东平县| 洞头县| 利辛县| 三原县| 辽阳县| 永城市| 富平县| 黄冈市| 陇川县| 大安市| 巢湖市| 泰安市| 黄大仙区| 桃江县| 蒲江县| 丹巴县| 华亭县| 阳原县| 呼和浩特市| 闽侯县| 华安县| 临海市| 宣武区| 体育| 三江| 霍州市| 马公市| 基隆市| 南江县| 水城县| 岳阳县| 成武县| 连城县| 上虞市| 河间市| 连山| 大悟县| 铜梁县| 宜春市| 鄂伦春自治旗| 丰镇市|