成人做爰黄A片免费视频网站野外,成人免费看片APP下载,成人做爰A片免费看黄冈白狐影院,成人做爰黄级A片免费看土方,成人做爰A片AAA毛真人,成人做爰A片免费看网站性晶

技術熱線: 4007-888-234

石英晶體振蕩器(石英晶體)

更新時間: 2021-10-21
閱讀量:8347

石英晶體振蕩器是一種利用石英晶體作為諧振器來穩定或控制其頻率的振蕩電路,這些通常用于生成模擬電路和數字系統的時鐘。

這些用于需要更高穩定性的應用,即精確保持振蕩的精確頻率,例如手表、通信發射器和接收器。在 LC 振蕩器中,頻率由電感和電容值決定。

但這些變量會隨著氣候、時間和溫度波動而變化。因此,LC 振蕩器不適用于頻率穩定應用。但在晶體振蕩器的情況下,晶體是一種頻率確定元件,可提供高頻率穩定性。

一、什么是石英晶體?

晶體要么是合成制造的,要么是天然存在的元素,它們表現出壓電效應。壓電效應是一種機電現象,每當在晶體的一組面上施加機械壓力時,它就會導致晶體的相對面產生電位差。因此,只要力導致晶體振動,就會在晶體上產生交流電壓。

相反,當對晶體施加交流電壓時,會產生機械振動,導致晶體形狀發生機械變形。這些振動或振蕩以諧振頻率振蕩,諧振頻率由晶體的切割和物理尺寸決定。

這是因為每個晶體都有自己的諧振頻率,具體取決于其切割。因此,它在機械振動的影響下產生恒定頻率信號。

20211021175807.jpg

上圖給出了密封外殼中的石英薄片,帶有符號表示。基本上,它是六邊形,末端是金字塔。但是,為了實際使用,它被切割成矩形板片。

切割涉及的過程包括X切割、Y切割、AT切割等。然后將這塊板安裝在兩塊金屬板之間。這些金屬板被稱為支撐板,因為它們將晶體板夾在它們之間。

晶體可以從幾 KHz 到幾 MHz,品質因數從幾千到幾十萬不等。這些高品質因數值使晶體在溫度和時間方面極其穩定。

二、石英晶體等效電路

當晶體穩定即不振動時,由于其機械安裝,晶體相當于一個電容。該電容稱為安裝電容CM,它存在于由電介質隔開的兩個金屬板之間,如晶體板。該 CM 是一個并聯電容。

當晶體開始振動時,會有內部摩擦損失,用電阻 R 表示,而晶體有一定的質量,所以它的慣性用電感 L 表示。在振動條件下,晶體表現出一定的剛度,用電容器 C。

因此,三個元素 R、L 和 C 是天然晶體的特性,而 CM 是支撐晶體的電極的電容。所有這些值都由晶體切割、其大小和振動性質決定。晶體的整體等效電路如下圖所示。

20211021174846.jpg

這些 RLC 參數形成諧振電路,諧振頻率表示為:

fr = (1/ (2π √ (LC))) √ (Q2 / (1 + Q2))

其中 Q 是品質因數,其值等于 2 π f L / R。晶體的 Q 值非常高,通常為 20000。因此因子 √ (Q2 / (1 + Q2) 變為 1 . 那么諧振頻率為:

fr = (1/ (2π √ (LC))

事實上,晶體頻率與厚度成反比。因此,厚度應該非常小以具有非常高的頻率。但是,晶體有可能在振動下受到損壞。因此,晶體振蕩器用于大約 200 或 300 KHz 的頻率范圍。

三、串聯和并聯諧振

從晶體振蕩器的等效電路可以看出,該電路有兩個諧振頻率,即串聯諧振頻率和并聯諧振頻率。當串聯 RLC 支路的電抗相等時,即 XC = XL,就會發生串聯諧振。

在串聯諧振頻率下,串聯 LC 臂的電抗為零,該支路提供的阻抗在串聯諧振下僅為 R。該串聯諧振頻率表示為

fs = (1/(2π√(LC))

當串聯諧振臂的電抗等于安裝電容器的電抗時,就會出現并聯諧振條件。串聯臂的電抗在頻率大于 fs 時是感性的。在這種諧振條件下,晶體提供給外部電路的阻抗非常高。

并聯諧振下的等效電容為:

Ceq = CMC/ CM + C

并聯諧振頻率由下式給出:

fp = (1/ (2π √ (LCeq))

下圖顯示了當串聯支路的電容值遠小于 CM 時晶體阻抗與頻率的關系。

20211021174958.jpg

通常,fp 和 fs 彼此非常接近,因此實際上可以說晶體只存在一個諧振頻率。

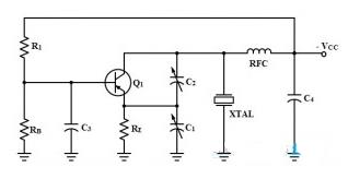
四、Colpitts晶體振蕩器

Colpitts 晶體振蕩器主要用于高頻射頻,作為使用石英晶體來控制振蕩器頻率的穩定振蕩器。

反饋是通過電容分壓器裝置提供的,該分壓器裝置通常在外部,但也可以通過電容器元件提供。下圖顯示了使用外部電容反饋方法的共發射極 Colpitts 電路。

20211021175101.jpg

在上述電路中,分壓器偏置由 R1 和 RB 電阻器提供,以便于啟動,C3 是一個旁路電容器,可有效地將基極與 RF 變化隔離開來。電容器C1和2連接在集電極和發射極之間用于反饋。

反饋的調節和控制由這兩個可變電容器提供。晶體連接在集電極和地之間,作為并聯諧振電路工作。集電極通過 RFC 與用作電源隔離電路的 C4 一起提供。輸出可以在集電極端子處以電容方式獲取。

該晶體振蕩器的操作取決于由電容器 C1 和 C2 組成的分壓器電路的作用。當電路通電時,一個小的偏置電流流過RB。然后集電極電流流過,電容器分壓器兩端出現電壓。

(1)假設晶體管內出現的噪聲脈沖導致集電極電流增加。這將導致集電極電壓降低,電容器 C2 將此電壓變化耦合到發射極。
(2)施加到發射器的遞減負信號(正向)是可再生的。這將導致集電極電流進一步增加。
(3)集電極電壓繼續降低(負電壓沿正方向變化),電容器 C2 繼續將此充電電壓耦合到發射極。
(4)同時,晶體兩端的集電極電壓發生變化。因此,晶體在壓電作用下會受到輕微的機械應變。
(5)當集電極電流達到飽和水平時,不會發生進一步的變化并且再生動作停止。
(6)此時晶體兩端的靜電應變開始減小,電容器 C1 開始通過 RE 輕微放電,最后集電極電流開始下降。這個動作也是再生的,晶體管很快進入截止模式。
(7)隨著集電極電流的降低,集電極電壓增加(更負),現在晶體應力反向。
(8)對于這個動作的每個循環,晶體以其平行諧振頻率振蕩。由于晶體的振蕩會在其兩端產生電壓,一旦開始振動,晶體將繼續振蕩。
(9)由于晶體以并聯方式從集電極連接到地,它有效地用作并聯諧振電路并將振蕩脈沖平滑成近似正弦波形。

也可以設計具有多種電路配置的晶體振蕩器。最常見的其他電路布置類型包括米勒晶體振蕩器和皮爾斯晶體振蕩器。

五、單片機晶體時鐘

正如我們已經討論過的,晶體振蕩器用于產生具有更高頻率穩定性的振蕩。這就是為什么在數字系統中使用晶體振蕩器來產生時鐘信號的原因。由于單片機或控制器的指令執行與時鐘信號同步發生。

某些類型的控制器具有內置的振蕩器電路,它們只需要一個石英晶體來產生必要的時鐘信號。某些數字設備可能不包含內置振蕩器單元,因此它們需要外部振蕩器電路以從中產生時鐘脈沖。

20211021175304.jpg

上圖顯示了用于微處理器時鐘頻率生成的石英晶體振蕩器的使用,在單片機的情況下,石英晶體諧振器足以完成這項工作。根據系統可以運行的最大時鐘頻率的值,決定振蕩器電路或晶體的值。

下圖說明了基于外部晶體振蕩器運行的8051單片機。通常情況下,石英晶體振蕩器連接在輸入引腳 XTAL1 和 XTAL2 之間。

XTAL1 是反相振蕩器放大器的輸入和內部時鐘生成電路的輸入,而 XTAL2 是反相振蕩器放大器的輸出。對于 8052 單片機,最常用的晶體頻率是 12 兆赫和 11.059 兆赫,但 11.059 更為常見。

20211021175409.jpg

以上就是英銳恩單片機開發工程師分享的“石英晶體振蕩器(石英晶體)”。英銳恩專注單片機應用方案設計與開發,提供8位單片機、16位單片機、32位單片機。

欢迎光临: 文登市| 绥宁县| 浦北县| 肃南| 九台市| 湘潭市| 高邑县| 彭泽县| 宜阳县| 隆德县| 临汾市| 安庆市| 桂东县| 墨玉县| 扎赉特旗| 义马市| 西畴县| 广西| 始兴县| 汉阴县| 沙田区| 博野县| 安平县| 黄浦区| 奉贤区| 图们市| 土默特左旗| 襄城县| 宁陵县| 建阳市| 宜黄县| 临安市| 苍山县| 威信县| 华坪县| 博兴县| 界首市| 镇江市| 石楼县| 刚察县| 志丹县|